欢迎光临~山东神骏车辆制造有限公司
服务热线 全国服务热线:

400-7073889

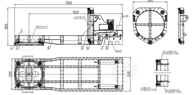
风叶运输半挂车

图4.jpg

上一个:狼狈车 下一个:风叶运输半挂车

在线询价

用手机扫描二维码关闭
二维码